投保协议(附保险条款)
本协议由开通阿里巴巴网站“诚e赊服务”的买家(以下简称“买家”或“投保人”)与【中国大地财产保险股份有限公司深圳分公司】(以下简称“保险公司”或“保险人“)共同缔结。本投保协议内容包括协议正文及全部附件,所有附件为本协议不可分割的一部分,与协议正文具有同等法律效力。
请务必仔细阅读、充分理解以下投保协议及保险条款内容,特别是保障内容及责任免除、送达、争议处理与管辖部分。如对投保流程及协议内容有任何不清楚之处,请不要勾选并确认本协议,同时,可致电保险人服务热线【95590】进行咨询。
网络平台买家应付款保证保险
投保协议
公布日期:2023 年 3 月 16 日
投保人:加入阿里巴巴网站“诚e赊服务”的买家
保险人:中国大地财产保险股份有限公司深圳分公司
为缓解买家资金压力,增加卖家交易信心,解除买卖双方的后顾之忧,现双方就投保人通过阿里巴巴网站在线购买保险人“网络平台买家应付款保证保险”(以下简称“保证保险”)事宜达成如下投保协议:
一、投保条件及方式
1.1买家投保应符合下述条件(注:买家了解并同意,下述投保条件可能基于保险公司业务需要而不时进行调整并通知买家,买家在投保及投保成功后均应持续符合保险公司通过阿里巴巴网站公布的最新投保条件):
(1)为阿里巴巴网站注册会员,且通过阿里巴巴网站所认可的有效身份认证与其他相关身份校验;
(2)已经开通“诚e赊服务”,且服务处于正常开通状态(信用额度可用且不得处于冻结状态);
(3)绑定经实名认证的支付宝账户并支持支付宝在线交易(注:如买家绑定的为个人支付宝账户,则应确保该个人支付宝账户用户同时开通余额宝服务,经保险公司及阿里巴巴同意的除外);
(4)如买家为个人会员,其所绑定的支付宝账户实名认证信息须与买家经阿里巴巴网站身份认证的信息一致;如买家为企业会员,其法定代表人/负责人应作为买家未偿还保险公司理赔追偿款的连带责任方,其须向保险公司另行出具《网络平台买家应付款保证保险不可撤销担保书》(经保险公司同意的除外);
(5)不存在达到15天以上未偿还保险人的理赔款项或其他严重违反保险合同约定的情形;
(6)满足阿里巴巴网站综合评分分值要求;
(7)近半年在阿里巴巴网站的虚假交易和低质量交易的总量占比<10%;
(8)因违规累计扣分不超过36分且无知识产权严重侵权行为;
(9)签署本协议附件3:《综合授权书》,接受保险公司的相关征信评估与征信上报;
(10)保险公司认为必要的其他投保条件。
1.2当买家持有“诚e赊服务”下的有效信用额度并与卖家通过“诚e赊服务”所支持的阿里巴巴网站交易方式(包括但不限于“信用担保交易”等,具体应以《诚e赊技术服务协议》约定为准,下同)进行在线交易时,买家可在阿里巴巴网站在线投保保证保险;本投保协议生效后,在保险期间内,买家未能按照交易订单的约定支付应付款项(指订单所含全部交易款项,包含交易货款、运费等,以下简称“应付款项“,下同)所导致卖家的债款损失,保险人依照本协议的约定承担赔偿责任。
二、协议期限及保险期间
2.1 本投保协议自买家在线点击签署之日起生效,有效期壹年。本投保协议到期后,如买家继续使用“诚e赊服务”下的有效信用额度进行在线交易,则视为买家自愿申请续保,如符合投保条件,则本投保协议有效期将自动延续壹年,并以此类推。
2.2 投保协议生效,买家使用“诚e赊服务”下的有效信用额度进行在线交易并完成保险费支付后(按照本协议约定保险费由阿里巴巴承担的除外),保险人将分别根据单笔交易订单实际占用的“诚e赊服务”信用额度作为保险金额出具保单,每笔交易订单所对应保单的保险期间为:
(1)起期:买家使用其持有的“诚e赊服务”信用额度就其创建的交易订单进行支付(即发生“诚e赊服务”信用额度占用)并就该订单确认收货;
(2)止期:占用“诚e赊服务”信用额度的交易订单账期届满之日(每月8日账单到期日)。
2.3对于在本协议终止时仍处于保险期间内的交易订单,保险人应按本协议约定承担保险合同约定的义务。
2.4买家可通过阿里巴巴网站在线入口向保险公司提出退出保证保险,自买家申请退出之日起将无法继续使用“诚e赊服务”项下的信用额度进行在线交易,但已占用“诚e赊服务”信用额度的在线交易订单不受影响(且买家不得就该等订单申请退保),仍受保证保险的保障。
2.5 投保人同意由保险人授权其承保分公司向投保人提供保险服务。
三、保险费及支付方式
3.1保费计算:单笔投保订单的保险费=买家下单并使用“诚e赊服务”进行交易的订单在确认收货时所占用的信用额度×单笔订单所适用的保险费率(0.26%)
注:
1)上述计费方式及保险费率可能基于保险公司针对保证保险的风险测算而适时地进行调整,并由保险公司通过阿里巴巴网站进行通知,如买家不接受调整后的计费方式及/或保险费率,可退出保证保险,如买家继续使用保证保险服务,则视为对调整后的计费方式及保险费率不持异议。
3.2为了确保平台买家赊购服务顺利开展,降低买家交易成本,对于符合阿里巴巴有关标准的买家向保险公司投保保证保险服务产生的保费,由阿里巴巴承担。保险公司需就阿里巴巴承担的保费按月与阿里巴巴对账确认后3个工作日内向阿里巴巴开具增值税专用发票。
3.3当保险公司根据交易订单实际占用的“诚e赊服务”信用额度作为保险金额出具保单后,保险公司已收取的保险费均将不予退还。
四、保险范围及赔偿限额
4.1保险范围:买家在阿里巴巴网站以其持有的有效信用额度并通过“诚e赊服务”所支持的在线交易方式与卖家达成交易订单,在保险公司承保后相应订单所产生的买家应付款项将纳入保证保险的保险范围,当发生下列情形之一,且买家(投保人)未如期支付应付款项时,保险公司将按照保险合同约定扣除免赔额或按照免赔率计算的免赔额后,在约定的赔偿限额内向卖家或其指定的其他享有订单应收账款债权的第三方直接赔付买家到期应付款项对应金额的保险金,以保障交易安全:
(1)账期届满时不存在未处理完结的在线交易纠纷,且买家未如期支付到期应付款项;
(2)账期届满时存在未处理完结的在线交易纠纷,则:a)买卖双方自行达成有效的在线纠纷处理协议,且处理完毕后仍存在相应买家到期应付款项且买家未支付;或b)买卖双方的交易纠纷经阿里巴巴根据相应交易及争议规则处理并判定买家仍应支付相应到期应付款项且买家未支付。
在保险人向卖家或其指定的其他享有订单应收账款债权的第三方先行赔付后,投保人应向保险人全额返还赔偿款。
具体保险责任和责任免除以本协议附件1:《网络平台买家应付款保证保险条款》的约定为准(投保人、保险人双方同意,如附件1保险条款内容与本投保协议内容冲突的,以本投保协议约定内容执行)。
4.2保险金额:指买家通过保证保险所取得的最高保险赔偿额度。单笔交易订单的保险金额以订单成功占用的“诚e赊服务”信用额度为限,保险公司应根据买家交易订单实际占用的“诚e赊服务”信用额度作为保险金额出具保单,保险金额限额内的款项应专项用于保证保险项下的卖家赔付。
4.3赔偿限额:保险公司仅就实际占用“诚e赊服务”信用额度的交易订单承担保险责任,保险公司对于前述订单的赔付限额仅限于该笔订单在发生下列情形(之一即可)时所产生的卖家赔付,赔付金额以该订单所对应的“保险金额”为限:
(1)账期届满时不存在未处理完结的在线交易纠纷,且买家未如期支付到期应付款项;
(2)账期届满时存在未处理完结的在线交易纠纷,则:a)买卖双方自行达成有效的在线纠纷处理协议,且处理完毕后仍存在相应买家到期应付款项且买家未支付;或b)买卖双方的交易纠纷经阿里巴巴根据相应交易及争议规则处理并判定买家仍应支付相应到期应付款项且买家未支付。
4.4绝对免赔额/率:为0
五、保险理赔及追偿
5.1卖家或其指定的其他享有订单应收账款债权的第三方提出索赔请求时,买家应以积极妥善的方式进行处理并在阿里巴巴客服介入时给予必要的配合。订单自账期届满之日起开始计算“(赔偿)等待期”,(赔偿)等待期为订单账期届满之日不超过3天,且不因交易纠纷等情形而发生中止或中断,如发生本协议4.1条(1)、(2)项所列保险范围内约定之情形,且买家(投保人)未如期支付应付款项,保险公司可在(赔偿)等待期满时在该订单所对应的“保险金额”限额内向卖家(被保险人)或其指定的其他享有订单应收账款债权的第三方进行赔付,即:
在(赔偿)等待期内,买家应继续支付其到期应付款项,同时,买家同意阿里巴巴有权根据买家的授权通知相关方向买家(含买家及买家指定)支付宝、余额宝划扣相应买家到期应付款项给卖家(或卖家指定的其他享有订单应收账款债权的第三方)。在(赔偿)等待期内,如买家未全额支付到期应付款项,或阿里巴巴未能执行全部买家到期应付款项划扣的,再由保险公司在(赔偿)等待期满时赔付不足部分到期应付款项(如(赔偿)等待期满时存在未处理完结的在线交易纠纷,则保险公司赔付时间相应顺延至纠纷处理完毕),买家对此不持异议。
在(赔偿)等待期内,如订单在甲方全额扣满买家到期应付款项前存在交易纠纷,此时甲方将继续划扣直至纠纷处理完毕,并根据纠纷处理结果再确定款项处理方案(包括但不限于退回全部或部分已划扣款项、将全部或部分已划扣款项支付给卖家(或卖家指定的其他享有订单应收账款债权的第三方)等),乙方应根据最终纠纷处理结果执行赔付(如需),乙方对此不持异议。
5.2保险人在此完全认同“诚e赊服务”所支持的阿里巴巴网站在线交易及相应交易及争议处理规则,在交易订单所对应的“保险金额”限额内,保险人同意无条件接受按照本协议约定的基于投保人根据前述流程与卖家在线达成纠纷处理协议或经阿里巴巴人工介入后判责所确定的相应订单下投保人实际应付款项承担保险赔付责任。投保人、保险人双方均了解,因上述纠纷处理协议系由买、卖双方自行协商在线达成(阿里巴巴并不介入前述协商过程),且阿里巴巴并非司法机关,仅能按照普通人的一般知识水平处理纠纷,不能确保判责结果不存在任何错误或疏漏,投保人、保险人双方均同意:阿里巴巴对判责及赔付处理结果免责(阿里巴巴存在故意或重大过失的情形除外),如出现与本协议附件1保险条款内容不一致的情形,投保人、保险人双方应自行负责处理与解决相关事宜。
5.3如卖家(被保险人)将其在交易订单下的应收账款债权转让给“诚e赊服务”认可的第三方(包括但不限于保理公司等,下同),则该等第三方可在相应赔付条件成就时自动享有被保险人权益,阿里巴巴将在卖家发生前述应收账款债权转让同步时通知投保人相应第三方信息。卖家或其指定的其他享有订单应收账款债权的第三方向保险人提起索赔的,投保人同意配合提供交易信息及卖家信息,作为索赔参考材料。
5.4投保人同意出具本协议附件2:授权书,并不可撤销地授权阿里巴巴按照保险人的委托通知支付宝公司向投保人(含投保人及投保人指定)支付宝、余额宝划扣前述赔款至保险人指定的支付宝收款账户;投保人充分知晓并应告知其法定代表人/负责人,如投保人(含投保人及投保人指定)的支付宝、余额宝不足划扣,则基于投保人的法定代表人/负责人所签署的《网络平台买家应付款保证保险不可撤销担保书》内的相关授权,阿里巴巴有权根据保险人的委托及通知,通知支付宝公司从投保人的法定代表人/负责人(即保证人)的支付宝账户中将投保人的相应欠款划扣至保险人指定的支付宝收款账户。
5.5投保人进一步同意,保险公司有权在其完成理赔款支付的次日起开始计算投保人逾期还款天数,并有权按照“未偿还理赔款金额 * 0.05%/天”的标准向投保人收取违约金,违约金将与赔偿款本金一起由投保人自行还款或由阿里巴巴按照本协议约定通知支付宝公司执行划扣(划扣款项将优先计入赔偿款违约金)。
保险公司有权根据业务实际情况决定是否对投保人实行“违约金减免期”政策(即在违约金减免期满后的次日开始计算投保人逾期还款天数)。是否实行“违约金减免期”政策以及具体减免天数以阿里巴巴平台上的公告为准。
在投保人(及其法定代表人/负责人,如有)向保险人偿还理赔款及支付违约金后,订单占用的“诚e赊服务”项下的信用额度将被释放(额度冻结等情形除外),并可再次被占用用于创建“诚e赊服务”所支持的在线交易。
5.6投保人了解并同意,在保险人完成赔偿款支付后,如投保人未及时全额还款(含赔偿款本金及违约金),保险人有权将投保人的逾期还款情况上报中国人民银行信用信息基础数据库及依法批准设立的征信机构,为此,投保人同意向保险人出具本协议附件3:《综合授权书》。
5.7 如果买卖双方或一方故意制造保险事故,或在未发生保险事故的前提下谎称发生了保险事故的,保险人不承担赔偿保险金的责任,并有权解除保险合同,且不退还保费。
5.8 保险公司授权其承保分公司为投保人提供保险服务,若投保人发生违约行为,保险公司授权其承保分公司按照本合同约定的送达、争议处理及管辖条款,以承保分公司的名义向投保人主张本合同及具体交易保险单相关的所有权利,承担本合同及具体交易保险单相关的所有义务。
六、送达、争议处理与管辖
6.1送达条款
6.1.1除法律法规或监管规定另有强制性规定外,本协议履行过程中,保险人传递给投保人的书面通知,按照投保人向保险人提供的通讯地址交邮后的第三个自然日即视为送达;书面通知的形式还包括但不限于在保险人网站(www.95590.cn)公告、阿里巴巴网站(www.1688.com、www.taobao.com)、手机淘宝公告、向投保人发送电子邮件、阿里巴巴网站内信、旺旺系统信息、手机短信和传真等电子方式,在采用电子方式进行书面通知的情况下发送当日即视为送达。
6.1.2法律文书送达
(1)就本协议争议引起的任何纠纷,投保人同意司法机关及相关争议处理机构可以通过手机短信、电子邮件或阿里旺旺等现代通讯电子送达方式或邮寄方式向投保人送达法律文书。投保人的电子送达地址为:投保人在阿里巴巴网站注册、更新时提供的手机号码、电子邮箱联系方式以及在注册阿里巴巴用户时生成的阿里旺旺账号,保险人及保险人承保分公司的电子送达地址为:ccicsz01@ccic-net.com.cn,司法机关及相关争议处理机构向上述联系方式发出法律文书即视为送达。
(2)投保人、保险人及保险人承保分公司同意上述电子送达地址适用于仲裁程序、法院撤销仲裁裁决的审理程序、法院通知重新仲裁程序、法院执行程序、法院不予执行仲裁裁决的听证及复议等程序。
(3)投保人同意司法机关及相关争议处理机构可采取以上一种或多种送达方式向投保人达法律文书,司法机关及相关争议处理机构采取多种方式向投保人送达法律文书,送达时间以上述送达方式中最先送达的为准。
(4)投保人应当保证所提供的联系方式是准确、有效的,并进行实时更新。如果在案件审理过程中,一方变更电子送达地址的,如果未将变更后的电子送达地址以书面方式及时通知对方和争议处理机构,以上电子送达地址仍为有效电子送达地址接受电子送达。因电子送达地址不准确,或未以书面方式及时通知变更后的电子送达地址,致使法律文书无法送达或未及时送达的,由投保人自行承担由此可能产生的法律后果。
6.2争议处理及管辖条款
6.2.1本协议适用中华人民共和国法律。凡因本合同引起的或与本合同有关的一切争议,双方应协商解决,协商不成的,投保人及保险人同意提请杭州仲裁委员会按照《杭州仲裁委员会智慧仲裁平台简易案件电子书面审理仲裁规则》(以下简称《书审规则》)进行仲裁。凡因本合同产生争议进入仲裁程序的,投保人及保险人同意由杭州仲裁委员会主任指定一名仲裁员组成仲裁庭审理。仲裁裁决是终局的,对双方当事人均有约束力。
6.2.2投保人及保险人双方签订本投保协议的,双方同意将本合同争议与杭州仲裁委员会智慧仲裁平台(以下简称“智慧仲裁平台”)受理的其他保险人方同种类案件合并审理。
6.2.3 凡因本合同引起的或与本合同有关的一切争议向杭州仲裁委员会提出仲裁申请的,投保人及保险人应通过智慧仲裁平台以在线书面审理的方式进行仲裁活动。投保人及保险人将通过智慧仲裁平台了解案件信息,接收或提交材料,案件审理过程中的所有材料均按照《书审规则》的相关规定以电子数据的形式提交、传输、送达。
6.2.4 凡因本合同产生争议进入仲裁程序的,投保人及保险人双方应当配合杭州仲裁委员会提交身份证明文件,包括但不限于证件证照比对、生物特征识别或者国家统一身份认证平台认证等在线方式完成身份认证,并取得登录智慧仲裁平台的专用账户。使用专用账户登录智慧仲裁平台所作出的行为,视为被认证人本人行为。投保人及保险人的身份资料和信息如有变更,应立即书面通知对方和杭州仲裁委员会,并及时修改智慧仲裁平台专用账户相关信息,若不及时通知、修改则由其自行承担因此产生的不利法律后果。
七、协议终止与解除
7.1符合本协议约定的,投保人可以通过阿里巴巴网站在线入口申请终止本协议。
7.2本协议到期且双方未续约的,本协议自动终止。
7.3投保人不再符合本协议约定的投保条件,保险人有权中止或终止本协议。
7.4保险人与阿里巴巴就保证保险相关合作终止,则本协议同时终止。
7.5存在下列情形之一的,保险人有权通过阿里巴巴网站通知投保人后解除本协议,且不予退还保险费:
(1)投保人存在单笔未归还保险人的理赔款达到15天及以上的;
(2)投保人在本协议有效期间有虚假交易或保险欺诈行为的;
(3)投保人存在其他严重违反《诚e赊技术服务协议》或本协议及附件约定情形的。
7.6本协议如由于7.5条原因解除的,保险人有权不再接受投保人的投保。
7.7本协议终止/解除后,协议终止/解除前已实际占用“诚e赊服务”下信用额度的交易订单,如发生赔付则保险人仍按本协议的约定承担相应保险责任,其他交易订单则不再受到险人保障。
八、协议变更
投保人同意,保险人有权基于保证保险业务的发展需要而不定期修改本协议(含附件,下同)中与投保人之间相关的权利义务,并在合理期限内按照法定程序向投保人书面通知,若投保人不同意修改本协议,则应当立即停止使用保证保险服务,保险人有权同时中止或终止本协议;否则,视为投保人同意并接受修改后的协议。经修订的协议在通知指定日期生效(在变更生效前已经投保的交易订单,仍适用变更前的相应条款)。
附件:
附件1:《网络平台买家应付款保证保险条款》
附件2:《支付宝账户扣款授权书》
附件3:《综合授权书》
附件1:《网络平台买家应付款保证保险条款》
中国大地财产保险股份有限公司
网络平台买家应付款保证保险条款
总则
第一条 本保险合同由保险条款、投保单、保险单或其他保险凭证、批单及其他有关书面约定组成。凡涉及本保险合同的约定,均应采用书面形式。
第二条 在本保险合同约定的网络交易平台(以下简称“网络平台”)上合法购买产品或服务的自然人、法人或其他组织,可作为本保险的投保人。
第三条 在网络平台上合法销售产品或提供服务,并在网络平台上与投保人进行合法交易的自然人、法人或其他组织,可作为本保险的被保险人。
保险责任
第四条 在保险期间内,被保险人按照通过网络平台与投保人之间订立的交易合同(以下简称“交易合同”)的约定提供了相应的产品或服务后,投保人已确认该产品或服务符合交易合同的约定,但未按照交易合同的约定支付应付款项且超过保险单载明的赔款等待期后仍未清偿,对因此导致的被保险人应收交易款项的损失,保险人按照本保险合同的约定负责赔偿。
责任免除
第五条 存在下列情形之一的,保险人不负责赔偿:
(一)投保人或其代表、雇员与被保险人或其代表、雇员采用恶意串通等手段订立交易合同;
(二)投保人未通过保险合同约定的网络平台购买被保险人的产品或服务;
(三)投保人未在有效信用额度内与被保险人进行交易;
(四)交易合同所涉及的产品或服务违法、违禁,或投保人与被保险人签订的交易合同为无效合同;
(五)从事保险单载明的交易类型以外的其他交易。
第六条 下列原因造成的损失、费用,保险人不负责赔偿:
(一)被保险人的故意或重大过失行为、犯罪行为;
(二)战争、敌对行动、武装冲突、军事行为、恐怖活动、罢工、暴动、民众骚乱;
(三)核爆炸、核辐射、核污染或其他放射性污染;
(四)大气污染、土地污染、水污染或其他各种污染;
(五)地震、海啸、雷击、暴风、暴雨、洪水、暴雪、冰雹、沙尘暴、冰凌、泥石流、崖崩、突发性滑坡、火山爆发、地面突然塌陷等自然灾害;
(六)行政行为或司法行为;
(七)被保险人未按照交易合同的约定提供相应产品或服务,或提供的相应产品或服务不符合交易合同的约定。
第七条 下列损失、费用,保险人不负责赔偿:
(一)逾期利息、复利、罚息、罚金、违约金、违约赔偿金、侵权损害赔偿金以及其他惩罚性赔偿;
(二)间接损失;
(三)本保险合同约定的免赔额,或按本保险合同中约定的免赔率计算的免赔额。
第八条 其他不属于本保险责任范围内的损失和费用,保险人也不负责赔偿。
保险期间
第九条 保险期间由投保人与保险人在订立本保险合同时协商确定,具体以保险单载明的起讫时间为准,但最长不超过一年。
保险金额与免赔额(率)
第十条 保险金额是保险人承担赔偿责任的最高限额。除另有约定外,本保险合同的保险金额由投保人根据与被保险人之间的交易款项金额确定,但最高不超过投保人在网络平台获得的信用额度,具体以保险单载明的为准。
第十一条 本保险合同的免赔额(率)由投保人与保险人在签订保险合同时协商确定,并在本保险合同中载明。
保险人义务
第十二条 订立本保险合同时,采用保险人提供的格式条款的,保险人向投保人提供的投保单应当附格式条款,保险人应当向投保人说明本保险合同的内容。对本保险合同中免除保险人责任的条款,保险人在订立合同时应当在投保单、保险单或者其他保险凭证上做出足以引起投保人注意的提示,并对该条款的内容以书面或者口头形式向投保人做出明确说明;未作提示或者明确说明的,该条款不产生效力。
第十三条 本保险合同成立后,保险人应当及时向投保人签发保险单或其他保险凭证。
第十四条 保险人依据本保险合同的约定所取得的保险合同解除权,自保险人知道有解除事由之日起,超过三十日不行使而消灭。自保险合同成立之日起超过二年的,保险人不得解除合同;发生保险事故的,保险人应当承担赔偿责任。
保险人在合同订立时已经知道投保人未如实告知的情况的,保险人不得解除合同;发生保险事故的,保险人应当承担赔偿责任。
第十五条 保险人依据本保险合同的约定,认为被保险人提供的有关索赔的证明和资料不完整的,应当及时一次性通知投保人、被保险人补充提供。
第十六条 保险人收到被保险人的赔偿保险金的请求后,应当及时作出是否属于保险责任的核定;情形复杂的,应当在三十日内作出核定,但本保险合同另有约定的除外。
保险人应当将核定结果通知被保险人;对属于保险责任的,在与被保险人达成赔偿保险金的协议后十日内,履行赔偿保险金义务。本保险合同对赔偿保险金的期限另有约定的,保险人应当按照约定履行赔偿保险金的义务。保险人依照前款的约定作出核定后,对不属于保险责任的,应当自作出核定之日起三日内向被保险人发出拒绝赔偿保险金通知书,并说明理由。
第十七条 保险人自收到赔偿保险金的请求和有关证明、资料之日起六十日内,对其赔偿保险金的数额不能确定的,应当根据已有证明和资料可以确定的数额先予支付;保险人最终确定赔偿的数额后,应当支付相应的差额。
投保人、被保险人义务
第十八条 订立本保险合同,保险人就保险标的或者被保险人的有关情况提出询问的,投保人应当如实告知,并如实按保险人的要求提供投保材料。
投保人故意或者因重大过失未履行前款约定的如实告知义务,足以影响保险人决定是否同意承保或者提高保险费率的,保险人有权解除合同。
投保人故意不履行如实告知义务的,保险人对于合同解除前发生的保险事故,不承担赔偿保险金的责任,并不退还保险费。
投保人因重大过失未履行如实告知义务,对保险事故的发生有严重影响的,保险人对于合同解除前发生的保险事故,不承担赔偿保险金的责任,但应当退还保险费。
第十九条 投保人应在本保险合同成立时一次性交清全部保险费。投保人未按照本保险合同的约定交付保险费的,保险人有权解除本保险合同。
第二十条 投保人住所或通讯地址变更时,应及时以书面形式通知保险人。投保人未通知的,保险人按本保险合同所载的最后住所或通讯地址发送的有关通知,均视为已发送给投保人。
第二十一条 在保险期间内,如本保险合同所载重要事项发生变更,包括但不限于投保人与被保险人之间的债权债务发生转移,投保人、被保险人应及时通知保险人,经保险人同意后对本保险合同相关内容进行变更。如因投保人、被保险人未就重要事项变更及时通知保险人,导致保险金申请、支付等发生纠纷,由此造成的投保人、被保险人的经济损失,保险人不负责赔偿。
第二十二条 知道保险事故发生后,被保险人应当:
(一)尽力采取必要、合理的措施,防止或减少损失。否则,对因此扩大的损失,保险人不承担赔偿责任。
(二)立即通知保险人,并书面说明事故发生的原因、经过和损失情况;故意或者因重大过失未及时通知,致使保险事故的性质、原因、损失程度等难以确定的,保险人对无法确定的部分,不承担赔偿责任,但保险人通过其他途径已经及时知道或者应当及时知道保险事故发生的除外。
(三)保护事故有关证据,允许并且协助保险人进行事故调查。拒绝或者妨碍或保险人进行事故调查,导致无法确定事故原因或核实损失情况的,保险人对无法确定或核实的部分,不承担赔偿责任。
第二十三条 被保险人或其代理人向保险人请求赔偿时,应向保险人提供下列证明和资料:
(一)被保险人与投保人在网络平台上进行交易的电子交易合同及沟通记录;
(二)被保险人的发货证明和投保人的收货证明;
(三)催收货款的相关记录;
(四)投保人未全额支付交易款项的证明;
(五)如存在交易纠纷、判责、部分退款等情况,应提供与责任判定、价款支付相关的资料和证明;
(六)投保人、被保险人所能提供的与确认保险事故的性质、原因、损失程度等有关的其他证明和资料。
被保险人未履行前款约定的索赔材料提供义务,导致保险人无法核实损失情况的,保险人对其无法核实部分不承担赔偿责任。
赔偿处理
第二十四条 被保险人发生保险责任范围内的损失,保险人按以下方式计算赔偿金额,最高不超过保险金额:
赔偿金额=(交易款项金额-投保人已支付的金额)×(1—免赔率)或
赔偿金额=交易款项金额-投保人已支付的金额-免赔额
第二十五条 保险事故发生时,如果存在重复保险,保险人按照本保险合同的保险金额与其他保险合同及本保险合同保险金额总和的比例承担赔偿责任。
其他保险人应承担的赔偿金额,本保险人不负责垫付。若被保险人未如实告知导致保险人多支付赔偿金,保险人有权向被保险人追回多支付的部分。
第二十六条 发生保险责任范围内的损失,保险人自向被保险人赔偿保险金之日起,在赔偿金额范围内代位行使被保险人对投保人请求清偿的权利,被保险人应当向保险人提供必要的文件和所知道的有关情况。
被保险人已经从投保人处取得偿还的,保险人赔偿保险金时,可以相应扣减被保险人已从投保人处取得的偿还金额。
保险事故发生后,在保险人未赔偿保险金之前,被保险人放弃对投保人请求清偿权利的,保险人不承担赔偿责任;保险人向被保险人赔偿保险金后,被保险人未经保险人同意放弃对投保人请求清偿权利的,该行为无效;由于被保险人故意或者因重大过失致使保险人不能行使代位请求清偿的权利的,保险人可以扣减或者要求返还相应的保险金。
第二十七条 未发生保险事故,被保险人谎称发生了保险事故,向保险人提出赔偿请求的,保险人有权解除本保险合同,并不退还保险费。投保人、被保险人故意制造保险事故的,保险人有权解除本保险合同,不承担赔偿责任,不退还保险费。保险事故发生后,投保人、被保险人以伪造、变造的有关证明、资料或者其他证据,编造虚假的事故原因或夸大损失程度的,保险人对其虚报的部分不承担赔偿责任。
第二十八条 保险人受理报案,参与案件诉讼,向投保人、被保险人提供建议等行为,均不构成保险人对赔偿责任的承诺。
第二十九条 被保险人向保险人请求赔偿保险金的诉讼时效期间为二年,自其知道或者应当知道保险事故发生之日起计算。
争议处理和法律适用
第三十条 因履行本保险合同发生的争议,由当事人协商解决。协商不成的,提交保险单载明的仲裁机构仲裁;保险单未载明仲裁机构且争议发生后未达成仲裁协议的,依法向人民法院起诉。
第三十一条 本保险合同的争议处理适用中华人民共和国法律(不包括香港、澳门及台湾地区法律)。
其他事项
第三十二条 除法律另有规定或本保险合同另有约定外,本保险合同成立后,未经被保险人书面同意,投保人不得解除本保险合同。
释义
赔款等待期:是指基于保险人确定保险损失已经发生的需要,被保险人提出保险索赔前必须等待的一段时间。赔款等待期自被保险人根据交易合同约定的付款期限届满之日的次日起算,具体天数由保险合同双方协商确定,并在保险单中载明。
交易款项:是指投保人与被保险人通过本保险合同约定的网络平台进行交易,根据交易合同显示的投保人应支付给被保险人的全部交易价款(指交易合同所含全部交易款项,包含交易货款、运费等)。
附件二:《支付宝账户扣款授权书》
支付宝账户扣款授权书
致:支付宝(中国)网络技术有限公司
本人特以此函通知贵公司,本人不可撤销地授权贵公司按本人向“中国大地财产保险股份有限公司深圳分公司”(以下简称“保险公司”)出具的《网络平台买家应付款保证保险不可撤销担保书》的约定以及保险公司对“阿里巴巴(中国)网络技术有限公司”、“杭州阿里巴巴广告有限公司”(以下简称为“阿里巴巴”)的委托,依阿里巴巴的指令直接对本人在贵司处的支付宝账户余额及关联快捷银行卡内资金进行余额止付和划扣。
本人进一步同意,当上述资金划扣失败时,阿里巴巴可通过本人支付宝账户的到账信息进行划扣。
特此授权!
附件3:《综合授权书》
综合授权书
因本投保人(以下简称“本投保人”)向“中国大地财产保险股份有限公司深圳分公司”(以下简称“保险人”)申请投保“网络平台买家应付款保证保险”(以下简称“保证保险”),基于保险人对保险服务的风险评估及控制需要,本投保人不可撤销地对保险人作出如下授权:
(一)个人/企业征信信息授权
1、向中国人民银行信用信息基础数据库及依法批准设立的征信机构采集、查询、使用、报送本投保人的征信信息,含到期未及时支付的应付款项等不良信息。
2、以上征信信息的授权仅限于办理保证保险业务以及因保证保险业务发生的相关业务,包括保证保险业务中的投保、核保、承保后管理及后续理赔、追偿等期间。不管保证保险业务申请是否获批,该授权均持续有效。
3、本投保人完全知晓并理解本授权书的授权,事先已明确被告知并同意保险人向中国人民银行信用信息基础数据库及依法批准设立的征信机构(包括但不限于芝麻信用管理有限公司等)提供本投保人的逾期违约等不良信息,且已明确知晓因此可能将给本投保人造成的全部不利影响,如可能影响本投保人申请相关服务等。
4、保险人承诺严格遵照《征信业管理条例》等相关法律法规及监管规定,在授权范围内谨慎使用征信报告并严格保密。
(二)其他个人/企业信息授权
1、授权保险人收集、使用本投保人的信息以作保证保险申请审查、评估之用,包括但不限于本次保险申请、及本投保人其后向保险人通过电话、网络、传真或其他保险人认可之途径再次申请的保险或对保险人已理赔的保险进行审查之用。
2、就授权范围内投保人信息的采集、提供、传输、处理、披露,将不视为对投保人任何权利和利益的侵犯,投保人将不会追究保险人和征信机构的任何责任,并不可撤销地同意阿里巴巴及/或其关联公司基于保险人的前述需求在本授权书的授权范围内向保险人提供本投保人的相关信息。
3、当投保人违反保证保险相关约定(如产生逾期欠款)时,为维护保险人的合法权益,投保人不可撤销地授权保险人可向其合作的律师事务所、催收公司,及保险人认为可向投保人传达信息的亲戚朋友、联系人等披露投保人的违约信息。
对于上述授权声明事项,本投保人无异议并予以确认。
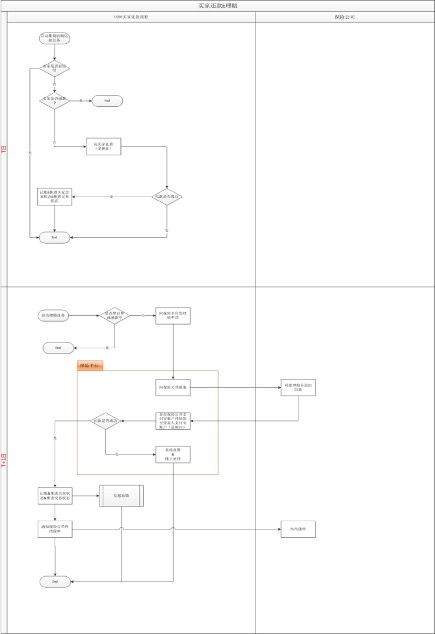
附件三:保证保险业务流程图
投保流程:

理赔流程:

附件四:《授权委托书》
授权委托书
致:支付宝(中国)网络技术有限公司
本司特以此函通知贵司,本司不可撤销地授权贵司按本司与“阿里巴巴(中国)网络技术有限公司”、“杭州阿里巴巴广告有限公司”(以下合称为“阿里巴巴”)签署的《网络平台买家应付款保证保险合作协议》的约定,依阿里巴巴的指令直接对本司(含本司及本司指定)在贵司处的支付宝账户中的余额及关联快捷银行卡内资金进行余额止付和划扣。
本司进一步同意,当上述资金划扣失败时,阿里巴巴可通过本司支付宝账户的到账信息进行划扣。
授 权 人:中国大地财产保险股份有限公司深圳分公司
公 章:
年 月 日